El objetivo es mostrar el control del tiempo de encendido y apagado en una secuencia de 8 leds vía una interfaz gráfica en Processing/ControlP5 , haciendo uso de la plataforma Arduino y Processing.
Materiales:
- (8) leds
- (8) Resistencia 220 Ω
- (1) Arduino uno
- (1) Protoboard
- (9) Cables Jumpers
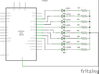
Diagramas:
- Fritzing
Montaje en Protoboard
Esquemático del circuito
Diseño en PCB
Montaje Paso a paso:
Materiales
Paso 1: Colocar los 8 Leds con el cátodo conectados respectivamente a las resistencias y esta a su vez conectada a GND.
Paso 2: Conectamos la Salidas digitales del 2 al 9 del arduino al ánodo de los 8 Leds respectivamente, luego el GND del arduino al GND de la Protoboard.
Paso 3: compilar el programa usando el software Arduino 1.6.5 y Processing 2.
Codigo del Programa en Arduino:
Codigo del Programa en Processing:
Vídeo:






No hay comentarios:
Publicar un comentario